简体
|
繁體
|
English
Home
About us
Products
News
Contact us
Level sensing
Pressure transducer
Flowmeter
Flow Controlling
Pressure Switch
Other brand
PDF
New promotion
Company News
产 品 分 类
·
Level sensing
OLC level switch
138277C(PP hollow)
139277C(PP solid)
135598C(Stainless Steel)
185598C(Bent stem)
179170C (PP right angle)
179589C(PP)
179272C(PP)
179273C(PP)
179274C(PP)
179275C(PP)
179276C(PP)
175575C(Stainless Steel)
OLC custom length level switch
133508C(PVDF hollow)
Omar level switch
138578(PP)
139578(PP)
130578(PVDF)
179562(PP)
179566(PP)
170572(PVDF)
Compac PP level switch
10-782-PP
Gems level switch
177425(PP hollow)
173250(PVDF)
1755 (316 SS)
74780 (CPVC)
1950 & 79999 (316 SS)
165570 & 164520(PP)
131100(PP) & 140620
164870 (316 SS)
165800(PP) & 165900
Gems multi - level switches
LS-300 Series(engineered plastics)
LS-700 Series (alloy)
LS-800 Series(large size )
Gems electro – optic level switch
ELS-300 series
ELS-900 series
ELS-1100 series
ELS-1100 HT series
ELS-1100 FLG series
ELS-1100 TFE series
ELS-1150 series
ELS-1200 RE series
ELS-1200 series
Opto-Pak controllers
ELS-950 series
Other Level control unit
ULS-50 ultrasonic level switch
ULS-60 Multi-point ultrasonic level switch
UCL-200 ultrasonic level sensor
XM/XT-800 level sensor
Suresite level indicator
UCL-520/UCL-510ultrasonic level sensor
·
Pressure transducer
Omar Pressure transducer
OA21 series
OA15 series
OA27 series
OA19 series
OA25 series
OA13 series
OA80 / OA81 series
OA10 / OA20 Series
OA12 / OA16 series
OA22 / OA26 / OA28 series
OA8 series
E610 series
OA51 series
OA32 / OA33 series
OA50 series
OA170 / 171 / 172 series
OA24 series
Gems Capacitance/Differential Pressure transducer
890 3A sanitary
856 industrial
865 low differential
876 barometric
809 industrial
830 wet / wet differential
5266 low differential
5482 wet / wet differential
Display for pressure transducer
DM28 economical digital process display
DM430 in line DIN indicator
SV8 Display for Pressure transducer
Temperature lsolator
558564-0001
·
Flowmeter
Lorric flowmeter
Polycarbonate series
Polysulfone series
Air flowmeter
Rodless type flowmeter
Germany ASV flowmeter
UPVC Series
PA Series
PSU Series
PVDF Series
level sensor
ZE3000 Flow transmitter
Omar / KEY flowmeter
OF - C series
OF20 / OF40 / OF45 Series
OF44 / OF47 / OF48 Series
OF50S / OF50V / OF50I Series
GR / GS Series
FR5500 Series
CV7500 Flow control valve
FIG & FIL Flow indicator
PV9000 digital flowmeter
Pocket Flowmeters
GD flowmeter
RCM flowmeter
Internal thread digital type
Internal thread pointer type
Sanitary pointer type
Flange pointer type
RCM flow switch
LAKE flowmeter
Pneumatic Flow Meters
Basic type flowmeter
High temperature flowmeter
Flow switch
Flow transmitter
Turbine type flow sensor
Hydraulic analysis tool
R100/RT100 flow / totalizer display
Flowstat flow sensor
CV high Pressure/ temperature flowmeter
Free Flow flow transmitter
AW flowmeter
JV-KG Positive displacement type
TA-3 Hygenic Turbine type
HPM/HPM-SLG Positive displacement type
TGM Thermal mass type
ACM Mass type
KVM / KVC Vortex meter
RT-EX10 Flow monitor
RT-EX15 Flow monitor
FEM-03 flow monitor
Badger electromagnetic flowmeter
Badger electromagnetic flowmeter
Burkert digital flowmeter
8035 digital flowmeter
8030
8045 electromagnetic flowmeter
·
Flow Controlling
OFS paddle flow switch
OFS paddle flow switch
OFS Nylon paddle flow switch
133282C
Gems flow switch
FS-500 series
FS-380Pseries
FS-380 Compact flow switch
FS-400P series
FS-3 series
FS-4 series
FS-6 series
FS-150 series
FS-200 series
FS-200E series
FS-400 series
FS-925E / 926E series
FS-100E / FS-100E-A series
FS-105E / FS-107E series
FS-550 / FS-550E series
RFS flow switch
Gems flow transmitter
RFO / RFA series
FT-110 series
Display for flow transmitter
RFI flow indicator
DM21 Flow/totalizer display
M103 flow/totalizer display
·
Pressure Switch
OPS Pressure switch
OPS Pressure switch
Gems Pressure switch
PS41 / PS71 / PS82 series
PS91 / PS93 series
PS61 / PS83 series
PS75 series
PS11 / PS81series
PS31/PS32/PS51/PS52 series
PS98 series
·
Other brand
Brooks
Brooks series
Omar intelligent water meter
OT 23 series
Kingspray spray nozzle
Eductor
H & AH Fan type
QFH Quick Dis-assemble type
F Low pressure wide angle type
D Pipe Clamp low pressure fan type
HB Pipe clamp fan type
KP Solid cone type
QFF Quick dis-assemble solid cone type
QT Pipe clamp solid cone type
ST Shark teeth soild cone type
MWT Hollow cone type
FWT Inclined hollow cone
QFWP Pipe clamped hollow cone
ME Pipe clamp accessories
Omar pressure gauge
Ordinate pressure gauge
PP diaphragm pressure gauge
Electro contact pressure gauge
ASV products
W1 ball valve
C100 manual valve series
3/2 way ball valve
Diaphragm valves series
Butterfly valves series
Pressure reducing valves series
Pressure relief valves series
Exhaust valve series
Solenoid valves series
Solenoid valves series
Sump pump series
Centrifugal pump series
Magnetic pump series
Fittings , pipe clamps and pipe clips
Burkert solenoid valve
6013 series (Compac/High temp.)
Diaphragm type
Diaphragm type
5281 Servo valve
5282 Servo valve
6213 series (General purpose)
255 series (High temp/pressure)
406 series (Steam type)
407 Series (Steam type)
5404 Series (High pressure)
6014 Series (Compac type)
2000 series (piston type)
2030 series (diaphragm type)
Gems miniature valve
A Series(modular design)
B Series(modular design)
C Series(high flow)
D Series(high flow)
E & EH Series(pneumatic solenoid)
G & GH Series(sub-miniature)
M Series(sub-miniature)
AS Series(miniature diaphragm lsolation)
BS Series(higher flow diaphragm lsolation)
GS Series(sub-miniature diaphragm lsolation)
Chem-S Series(sub-miniature inert diaphragm)
B-Cryo Series(cryogenic valve)
D-Cryo Series(high flow cryogenic valve)
Tecsis products
Pressure gauge series
Pressure transducer series
Pressure switch series
Measuring instruments with digital display
Mechanical thermometers series
Electric thermometers series
Mechanical force measuring
Electrical force measuring
Haenni products
Pressure transducer series
Pressure gauge series
Pressure switch series
level switch series
Temperature gauge
Temperature sensor
Thermo-Hygrograph
Warrick level products
16 series (controller)
3G/3F Fitting/mounting
3R/3T Fitting
3W Suspended probes
Haskel high pressure products
Air Amplifier
Air booster
Air pump
TOX power package
Powerpackage
Compact type powerpackage
Maximator high pressure product
MO series
S series
MSF series
GSF series
M series
G series
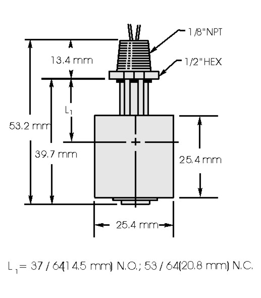
Home> Products> Gems level switch
173250(PVDF)
LS - 3 series
,
Materials
: PVDF
Mounting Type
: 1/8" NPT
Pressure Max
: 3 bar
Temperature Max
: 121
℃
Switch SPST
: 20 VA
S
pecific gravity
: 0.86
PDF Download
| Clicks:10484 |
Print
|
Back
Product Detail
Dimension ( Unit : mm )
Address
:
Rm C, 6/F, Sang Cheong Ind. Bldg.,
11-13 Ka Hing Rd.,
Kwai Chung. N.T. Hong Kong.
Address:
Rm 518, She Ji Bldg, Gang Kou Lu,
Humen, Dongguan,
Guangdong, China.
Tel
:
852-24220008 Fax
:
852-24841793
Tel
:
0769 - 85119420 Fax
:
0769 - 85119430
Copyright © 2008 Omar Ltd.